欢迎进入上海交通大学科技园|短路接地线网站
全国服务热线
021-54358329
相关资讯
联系我们
地址:青浦区练塘镇章练塘路588弄15号1幢二层H区272室(021-54358329)
联系电话:021-54358329
传真:021-54011883
Q Q:289109264
WJF5KVA/50KV无局部放电工频试验变压器
产品简介
WJF5KVA/50KV无局部放电工频试验变压器
订购热线:021-54358329
产品介绍

WJF5KVA/50KV无局部放电工频试验变压器高压试验变压器



产品简介:

  随着社会的进步,科学的发展,人类对能源的需求愈来愈大,由于电力在人们生活当中是不可缺少的一分重要的资源,从而促进电力工业的迅猛发展,随着网路电压 的提高和新的生产工艺、技术,对预防性试验放在了议事日程上。为了增加输出发配电设备的使用寿命,现对一些设备提出局部放电试验的要求。

  为了适应不同电压等级,不同容量,在不同的使用环境和条件下工作。我公司设计了四种型号六十多种规格的无局部放电工频试验变压器及其成套装置。

  从结构型式上分,可分为:单相铁壳式,单相铁壳串级式,单相绝缘筒外壳式和单相绝缘筒外串级四种。单相铁壳式一般适用于电压、容量较低且便于携带或电压容 量较大固定式,但对局部放电量要求较低的气场合,电压不太高,且比较固定使用的场合;单相绝缘筒式串级式,主要适用于对局部放电要求较高,电压高、容量 大,或电压低容量小,便于携带的场合,以上四种型号用户根据不同要求自行选择。

使用贮存条件:

1.海拔高度不超过1000米。
2.周围空气温度-10℃—+40℃,空气相对湿度不大于85%(+20%),从一个环境换到另一个环境,温差不得大于15℃。
3.无导电尘埃存在。
4.无火灾及瀑炸危险。
5.不含有腐蚀金属和绝缘的气体存在。
6.无剧烈振动和碰撞的场所。
7.地平水平面不超过3度
8.电源电压的波形为实际正弦波,波形畸变率小于1%,频率为50Hz,电源侧应不遭受来自外部的大气过电压。
9.设有一个可靠接地点,接地电阻小于1欧姆。

产品参数:

1.局部放电量
(1)10-200KV额定高压输出,在100%UH下局部放电量≤3-5PC。
(2)250-300KV额定高压输出,在100%UH下局部放电量≤5PC。
(3)350-750KV额定输出,在80%UH下局部放电量≤5PC,100%UH下≤10PC。
(4)80KV-1500KV额定高压输出,在80%UH下局部放电量≤10PC。
2.串接式变压器,变压器电压分布不对称度≤5%
3.试验变压器在额定电压额定电流下,从环境度开始,可运行30min,在三分之二额定电压三分之二额定电流下,可连续运行。
4.单台试验变压器阻抗为3%-12%,串接阻抗为5%-40%。
5.波形畸变率<5%。
6.其余参数符合ZBK41006-89〈试验变压器〉规定。

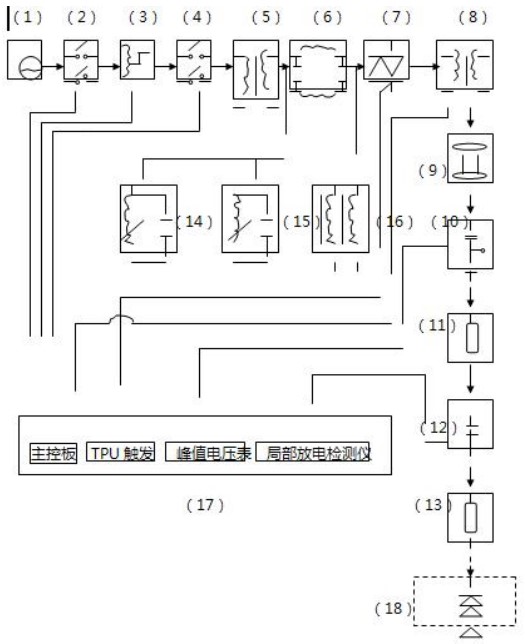
设备组成:

(1)电源(用户自配)(0.22KV、0.38KV、6KV、10KV均可)
(2)一次开关柜(或电源箱)(根据控制台选)
(3)调压器                       (4)二次开关柜(选择)
(5)隔离变压器(选件)           (6)电源噪音滤波器(选件)
(7)电子快速保护器(选件)       (8)工频无局放试验变压器
(9)金属丝线保护电阻             (10)工频无局放电容分压器    
(11)导电杆(选件)              (12)耦合电容器(选件)      
(13)导电杆(选件)              (14)三次谐波滤波器(选件)
(15)五次谐波滤波器(选件)      (16)补偿电抗器组(选件)
(17)控制台(选件)              (18)试区

使用方法:

1.准备工作
A.选择合适容量、电压的电源。
B.接线前将各设备全理就位,选择好对周围物体距离。
C.按照项5设备组成图选择合适导线,正确接好每一根线,高压尾和测量绕组端子严格接地。
D.接好各设备的接地线,特别注意接地点应为实际上的一点接地。
2.开机前准备工作及手动自动操作程序。(参照控制台使用说明书)。

注意事项:

1.主回路电源应满足**输出功率。
2.在升压时,切要观察各表计是否在正常情况下工作,严禁超负荷工作。
3.所有接地为一点接地
4.设备严禁倾倒,缺油时严禁使用。

5.绝缘外壳及铁外壳的高压套管,严禁碰撞,划伤。
6.整体设备严禁在空气温度低于-5℃时存贮或使用。
7.设备调换环境时,环境相对温差不得大于15℃。
8.套管及外壳表面严禁覆水、冰、雪,室内使用设备严禁室外存贮。
9.试验结束后,设备控制台钥匙应拔出保管。
10.在使用本套设备前,必须认真阅读说明书,尤其是第六、七二项中所规定的必须严格遵守。

 

一.概述
随着社会的进步,科学的发展,人类对能源的需求愈来愈大,由于电力在人们生活当中是不可缺少的一分重要的资源,从而促进电力工业的迅猛发展,随着网路电压的提高和新的生产工艺、技术,对预防性试验放在了议事日程上。为了增加输出发配电设备的使用寿命,现对一些设备提出局部放电试验的要求。
为了适应不同电压等级,不同容量,在不同的使用环境和条件下工作。我公司设计了四种型号六十多种规格的工频无局放试验变压器及其成套装置。
从结构型式上分,可分为:单相铁壳式,单相铁壳串级式,单相绝缘筒外壳式和单相绝缘筒外串级四种。单相铁壳式一般适用于电压、容量较低且便于携带或电压容量较大固定式,但对局部放电量要求较低的气场合,电压不太高,且比较固定使用的场合;单相绝缘筒式串级式,主要适用于对局部放电要求较高,电压高、容量大,或电压低容量小,便于携带的场合,以上四种型号用户根据不同要求自行选择。
二.产品型号编制说明

 三.使用贮存条件
1.海拔高度不超过1000米。
2.周围空气温度-10℃—+40℃,空气相对湿度不大于85%(+20%),从一个环境换到另一个环境,温差不得大于15℃。
3.无导电尘埃存在。
4.无火灾及瀑炸危险。
5.不含有腐蚀金属和绝缘的气体存在。
6.无剧烈振动和碰撞的场所。
7.地平水平面不超过3度
8.电源电压的波形为实际正弦波,波形畸变率小于1%,频率为50Hz,电源侧应不遭受来自外部的大气过电压。
9.设有一个可靠接地点,接地电阻小于1欧姆。
四.技术参数
1.局部放电量
(1)10-200KV额定高压输出,在100%UH下局部放电量≤3-5PC。
(2)250-300KV额定高压输出,在100%UH下局部放电量≤5PC。
(3)350-750KV额定输出,在80%UH下局部放电量≤5PC,100%UH下≤10PC。
(4)80KV-1500KV额定高压输出,在80%UH下局部放电量≤10PC。
2.串接式变压器,变压器电压分布不对称度≤5%
3.试验变压器在额定电压额定电流下,从环境度开始,可运行30min,在三分之二额定电压三分之二额定电流下,可连续运行。
4.单台试验变压器阻抗为3%-12%,串接阻抗为5%-40%。
5.波形畸变率<5%。
6.其余参数符合ZBK41006-89〈试验变压器〉规定。
五.设备组成

(1)电源(用户自配)(0.22KV、0.38KV、6KV、10KV均可)
(2)一次开关柜(或电源箱)(根据控制台选)
(3)调压器                       (4)二次开关柜(选择)
(5)隔离变压器(选件)           (6)电源噪音滤波器(选件)
(7)电子快速保护器(选件)       (8)工频无局放试验变压器
(9)金属丝线保护电阻             (10)工频无局放电容分压器     
(11)导电杆(选件)              (12)耦合电容器(选件)       
(13)导电杆(选件)              (14)三次谐波滤波器(选件)
(15)五次谐波滤波器(选件)      (16)补偿电抗器组(选件)
(17)控制台(选件)              (18)试区
六.使用方法
1.准备工作
A.选择合适容量、电压的电源。
B.接线前将各设备全理就位,选择好对周围物体距离。
C.按照项5设备组成图选择合适导线,正确接好每一根线,高压尾和测量绕组端子严格接地。
D.接好各设备的接地线,特别注意接地点应为实际上的一点接地。
2.开机前准备工作及手动自动操作程序。(参照控制台使用说明书)。
七.注意事项
1.主回路电源应满足最大输出功率。
2.在升压时,切要观察各表计是否在正常情况下工作,严禁超负荷工作。
3.所有接地为一点接地
4.设备严禁倾倒,缺油时严禁使用。
5.绝缘外壳及铁外壳的高压套管,严禁碰撞,划伤。
6.整体设备严禁在空气温度低于-5℃时存贮或使用。
7.设备调换环境时,环境相对温差不得大于15℃。
8.套管及外壳表面严禁覆水、冰、雪,室内使用设备严禁室外存贮。
9.试验结束后,设备控制台钥匙应拔出保管。
10.在使用本套设备前,必须认真阅读说明书,尤其是第六、七二项中所规定的必须严格遵守。
八.日常维护及运输
1.本套设备应放置在干燥、清洁的场所,不用时应做好防雨、雪、水、尘的防护工作,户外应做好防雷工作。
2.对长期放置不用的设备应定期检查所有紧固件、绝缘套管及绝缘筒表面的清理工作。
3.运输时设备应包装好且用钢丝绳紧固好,此时应注意变压器的装车方式、方向,防止运输时,起步与刹车引起内部构件串动、松动、变形(方向根据提供的总装配图来定),绕组元件的轴向方向垂直于运输工具的行走方向。

型号规格 额定容量(kVA) 高压电压(kV) 矮压电压(kV) D × H(mm) 沉量(kg)
  TQSW-5/50 5 50 0.22 320 × 431 45
  TQSW-10/100 10 100 0.22 570 × 725 165
  TQSW-30/100 30 100 0.38 800 × 1036 315
  TQSW-15/150 15 150 0.38 1165 × 1667 695
  TQSW-50/250 50 250 0.38 1280 × 1970 1100
  TQSW-100/100 100 100 0.38 1130 × 1485 1350
  TQSW-100/150 100 150 0.38 1800 × 1953 1980
  TQSW-200/200 200 200 0.6 2500 × 2445 4500
  TQSW-150/250 150 250 0.6 2150 × 2443 4230
  TQSW-250/250 250 250 0.6 2500 × 2555 6100
  TQSW-1000/250 1000 250 3、6、10 3600 × 2800 12000
  TQSW-300/300 300 300 3、6 2600 × 3300 6280
  TQSW-450/300 450 300 3、6 3050 × 2920 8000
  TQSW-600/300 600 300 3、6 2600 × 3460 10600
  TQSW-800/400 800 400 3、6、10 3600 × 4800 14000
  TQSW-1200/400 1200 400 3、6、10 3600 × 4875 19000
  TQSW-100/500 100 500 3、6、10 3300 × 5300 8100
  TQSW-250/500 250 500 3、6、10 3600 × 5200 11600
  TQSW-200/500 200 500 3、6、10 3300 × 5300 8800
  TQSW-500/500 500 500 3、6、10 3600 × 5210 23540
  TQSW-1000/500 1000 500 3、6、10 3600 × 5300 25400
  TQSW-2200/550 2200 550 6、10 3600 × 6000 36000
  TQSW-2000/500 2000 500 6、10 3600 × 5400 34880

型号规格 额定容量(kVA) 高压电压(kV) 电源电压
(kV)
D(mm) D × H(mm) 沉量(kg)
  TQSW-5/2×50 5 100 0.38 φ270 φ415 × 1074 110
  TQSW-10/2×80 10 160 0.38 φ327 φ470 × 1219 150
  TQSW-20/2×100 20 200 0.38 φ600 φ900 × 2100 200
  TQSW-100/2×100 100 200 0.38 φ830 φ1290 × 3500 2680
  TQSW-45/2×200 45 400 0.38 φ830 φ1290 × 3255 1730
  TQSW-150/2×125 150 250 0.38 φ1100 φ1600 × 3500 4770
  TQSW-25/2×125 25 250 0.38 φ680 φ1200 × 2120 870
  TQSW-45/2×150 45 300 0.38 φ830 φ1420 × 2500 2530
  TQSW-150/2×150 150 300 0.38 φ1100 φ1600 × 4000 5000
  TQSW-300/2×150 300 300 0.38 φ1100 φ1600 × 4000 7880
  TQSW-100/2×200 100 400 0.38 φ1100 φ1500 × 3620 4280
  TQSW-250/2×250 250 500 0.6、3、6 φ1600 φ2600 × 5580 15800
  TQSW-500/2×250 500 500 0.6、3、6 φ1600 φ2600 × 5580 16400
  TQSW-300/2×300 300 600 0.6、3、6 φ1600 φ2050 × 6205 16700
  TQSW-600/2×300 600 600 3、6 φ2030 φ3300 × 8395 19000
  TQSW-750/2×375 750 720 3、6 φ2360 φ3600 × 8395 38400
  TQSW-200/2×500 200 1000 3、6、10 φ1600 φ3600 × 8350 12400
  TQSW-1000/2×500 1000 1000 3、6、10 φ2450 φ4500 × 11800 48500
  TQSW-2000/2×500 2000 1000 3、6、10 φ2450 φ4500 × 13500 42000
  TQSW-2400/2×400 2400 800 3、6、10 φ2500 φ3500 × 11000 50000
  TQSW-1200/3×400 1200 1200 3、6、10 φ2500 φ4500 × 14000 62000
  TQSW-2400/3×400 2400 1200 3、6、10 φ2500 φ4500 × 15000 70000




联系我们
上海交通大学科技园|短路接地线
全国服务电话:021-54358329
传真:021-54011883
Q Q:289109264
公司地址:青浦区练塘镇章练塘路588弄15号1幢二层H区272室(021-54358329)
我要订购
* 联系人
* 联系电话
电子邮件
QQ
* 产品名称
* 采购意向
温馨提示: 请填写采购的产品数量和产品描述,方便我们进行统一备货。
咨询热线:021-54358329

Copyright © 上海交通大学科技园|短路接地线 版权所有 沪ICP备13003797号-6
全国服务电话:021-54358329   传真:021-54011883
公司地址:青浦区练塘镇章练塘路588弄15号1幢二层H区272室(021-54358329)   网站地图   官网   PDF

变压器绕组变形测试仪   雷击计数器测试仪 网络基站定相核相仪   雷击计数器测试仪   工频电源